電液動錐形雙層卸灰閥
工作原理與結構特點
電液動錐形雙層卸灰閥是采用電液推桿帶動連桿機構或電液動回轉達器直接帶動上下主軸使錐形閥芯組件輪流啟閉,當上閥門開啟時,下閥門關閉;
上閥門關閉時,下閥門開啟;實現閥門卸灰控制與鎖氣的目的。該閥門由于采用了耐磨錐形閥芯結構,顯著地延長閥門的使用壽命;改善了閥門的密封性能,提高了除塵效果;是企業實現無塵化生產所必備的首選產品。根據需要可實現現場控制、遠程開關控制及遠程4-20mA電流信號工業計算機實時控制。
應用范圍
該閥是一種實用性很強的新型換代產品,廣泛應用于冶金、礦山、電力、建材、化工、食品等行業的通風除塵或物料輸送系統中,是一種理想的流量調節和工業控制裝置。
型號編制說明

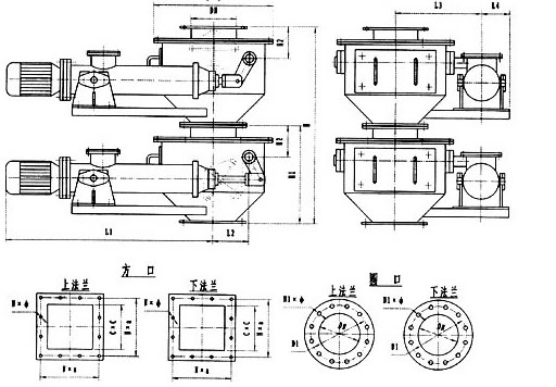
系列型號外形圖及參數表

(圖一)

電動錐形雙層卸灰閥
工作原理與結構特點
電動錐菜雙層卸灰閥是采用減速電機通過凸輪或曲柄連桿帶動上下主軸及錐形閥芯組件輪流回轉,當上閥門開啟時,下閥門關閉;上閥門關閉時,下閥門開啟;實現閥門卸灰控制與鎖年的目的。該閥門由于采用了耐磨錐形閥芯結構,顯著延長了閥門的使用壽命;改善了閥門的密封性能,提高了除塵效果;同時該結構電氣控制更加簡化,電機減速機的定向旋轉避免了設備因反轉碰撞而產生的故障,使設備更安全;是企業實現無塵化生產所必備的選產品。根據卸灰量的大小,通過對電機變頻調速,實現物料流量的自動控制。
應用范圍
電動錐形雙層卸灰閥是一種應用性很強的新型換代產品,廣泛應用于冶金、礦山、電力建材、化工、食品等行業的通風除塵或物料輸送系統中,是一種理想的流量調節和工業控制裝置。
型號編制說明
